MN-YL503S数显压力传感器
浏览数:

本产品采用不锈钢整体构件,进口弹性体原件,高精度应变计及先进的工艺,具有灵敏度高、性能稳定、良好的抗冲击能力。316不锈钢全封焊接,
压力传感器自带三位半LED显示,同时输出模拟信号,以便给后端控制机构采样压力信号,结构小巧、紧凑,有良好的防潮能力和优异的介质兼容性。
测量介质:弱腐蚀性的液体;弱腐蚀性的气体。
广泛用于工业设备、水利、化工、医疗、电力、空调、金刚石压机、冶金、车辆制动、楼宇供水等压力测量与控制
此类传感器通常也称为:油压传感器,油压变送器,液压传感器,液压变送器,风压传感器,风压变送器,气压传感器,气压变送器,应变式压力传感器,应变式压力变送器,压阻式压力传感器,压阻式压力变送器,正负压力传感器,正负压力变送器,管道压力传感器,管道压力变送器等。
◆主要技术参数:
量 程: -0.1~0~1~150(MPa)
综合精度: 0.25%FS、0.5%FS、1.0%FS
输出信号: 4~20mA(二线制)、0~5V、1~5V、0~10V(三线制)
现场显示: LED三位半,0000 - 1999
供电电压: 24DCV(9~36DCV)
介质温度: -20~85~150℃
环境温度: 常温(-20~85℃)
负载电阻: 电流输出型:最大800Ω;电压输出型:大于50KΩ
绝缘电阻: 大于2000MΩ (100VDC)
密封等级: IP65
长期稳定性能:0.1%FS/年
振动影响: 在机械振动频率20Hz~1000Hz内,输出变化小于0.1%FS
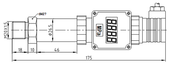
电气接口: 赫斯曼接头
螺纹连接:M20×1.5等,其它螺纹可依据客户要求设计
外形尺寸:M20×Φ26.5×175
◆产品尺寸

