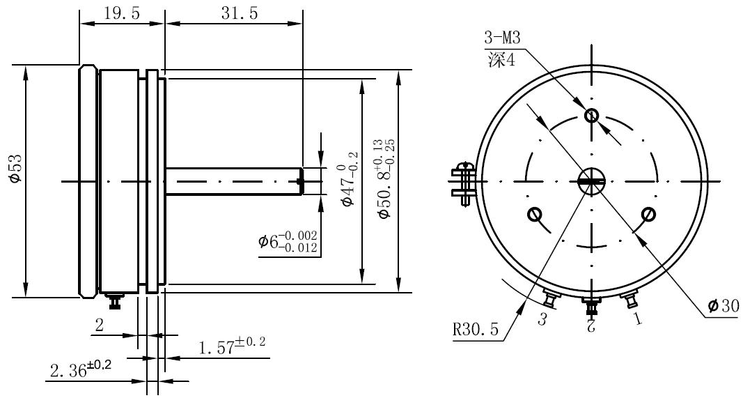
WDA-D50-DC角度位移传感器
浏览数:

适用范围:合适需要精密角度位移测量场合。
产品特点:
- 使用寿命长
- 线性度达到0.1%
- 坚固,可靠性高,耐环境性强
- 特殊规格可定制
| 项 目 | 参 数 | 说 明 |
| 电阻范围 | 1;2;3;5K Ω | 可定制 |
| 阻值公差 | ±10 | 常规 |
| 线性精度 | ±0.5% ±0.25% | 可定制 |
| 电气转角 | 90°;180°;320°;340° | 可定制 |
| 机械转角 | 360°(连续) | 常规 |
| 额定功率 | 0.8W/70℃ | 常规 |
| 平滑指数 | ≤1.5% | 常规 |
| 温度系数 | ±500PPM/℃ | 常规 |
| 绝缘电阻 | >500DC.500V/min | 常规 |
| 耐压强度 | 500V.A.C./min | 常规 |
| 温度范围 | -40℃——+125℃ | 常规 |
| 起动力矩 | <0.098N(M) | 常规 |
| 回转寿命 | 300万转 | 常规 |
| 轴柄类型,长度 | 可定制 | |

