WDA-D22-SF9油门角度传感器
浏览数:
一、产品图片:

二、详细参数:
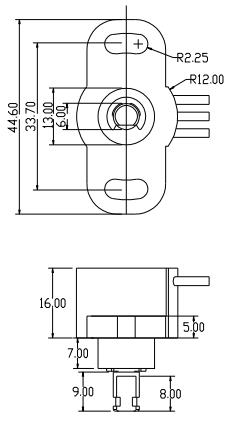
三、产品尺寸图:


二、详细参数:
| 产品型号 MODLE | WDA-D22-SF9 | |
| 电气参数 Electrical | ||
| 阻值范围 Resistance Range | 2kΩ / 5kΩ | |
| 阻值误差 Resistance tolerance | +10% +20% Standard | |
| 残留阻抗 End Resistance | <0.5% | |
| 阻值变化规律 Resistance taper | B(JIS直线 JIS LINERA) | |
| 线性精度 independent linearity | + 3% | |
| 额定功率 power rating | 0.5W(70℃)0W(120℃) | |
| 接触电阻变化 peak noise (c.r.v.) | <2%Rn | |
| 耐电压 dielectric strength | 1000V 1minute | |
| 有效电气行程 adjustment travel | 240° 340° | |
| 绝缘电阻 insulation resistance | 100MΩ | |
| 分辩率 resolution | infinite | |
| 最大工作电压 maximum input voltage | DC30V | |
| 环境参数 environmental | ||
| 存储温度 storage temperature range | -60℃ ~+125℃ | |
| 使用温度 operating temperature range | -60℃ ~+125℃ | |
| 温度系数 temperature coefficient | 500ppm/℃ | |
| 电气耐久性 load life | 70℃ 1,000h; △R/R≤±10% | |
| 旋转寿命 rotational life | 3.000.000次,△R/R≤±7% | |
| IP防护等级 IP range | IP65 | |
| 耐焊接热 soldering heat resistance | ( 350℃ 3S ) △R/R≤±2% | |
| 热循环 temperature cycle | (-25℃ +85℃ 30min/each、 5cycles) △R/R≤±10% | |
| 振动 vibration | 10-55Hz, 1.5mm 振幅 amplitude, 3 方向directions △R/R≤±5% | |
| 机械参数 mechanical | ||
| 尺寸 size | 见附图 See drawing | |
| 机械行程 mechanical travel | 360° | |
| 旋转力矩 shaft torque | 50-50gf.cm | |
| 止挡力矩 stop strength | _ | |
| 锁紧力矩 mounting nut torque | 15kgf.cm | |
| 轴跳动 shaft runout | 0.15mm | |
| 轴端间隙 shaft end play | (出轴长度shaft length 30mm) 0.15mm | |
| 径向间隙 shaft radial play | 0.15mm | |
| 轴的推力 shaft strength (push) | 125N(12.75kgf)min. | |
| 轴的拉力 shaft strength(tensile) | 125N(12.75kgf)min. | |
| 标记 marking | --- | |
| 配件 hardware | --- | |
三、产品尺寸图:

