WDA-D40-P精密导电塑料电位器
浏览数:
一、产品图片:

二、详细参数:
|
产品名称 NAME |
WDA-D40-P精密导电塑料电位器 40mm Precision conductive plastic potentiometer |
|
| 电气参数 Electrical | ||
| 阻值范围Resistance Range | 1KΩ-5kΩ | |
| 阻值误差Resistance Tolerance | ±5% Precision、±10% Standard | |
| 残留阻抗End Resistance | <3Ω | |
| 阻值变化规律Resistance Taper | B(JIS直线 JIS LINEAR) | |
| 线性精度Independent Linearity | ±0.5% | |
| 额定功率Power Rating | 0.5W(70℃)0W(120℃) | |
| 接触电阻变化Peak Noise (C.R.V.) | <2%Rn | |
| 耐电压Dielectric Strength | 1000V 1minute | |
| 有效电气行程Adjustment Travel | 180° | |
| 绝缘电阻Insulation Resistance | 10M | |
| 分辨率Resolution | 无限大Essentially infinite | |
| 最大工作电压Maximum Input Voltage | 200VDC | |
| 环境参数 Environmental | ||
| 存储温度 Storage Temperature Range | -60℃~+125℃ | |
| 使用温度 Operating Temperature Range | -60℃~+125℃ | |
| 温度系数Temperature coefficient | 500ppm/℃ | |
| 电气耐久性Load Life | 70℃ 1,000h ΔR/R≤±10% | |
| 旋转寿命Rotational Life | 1,000,000次 ΔR/R≤±7% | |
| IP防护等级 IP Range | IP65 | |
| 耐焊接热Soldering Heat Resistance | (350℃ 3S)ΔR/R≤±2% | |
| 热循环Temperature Cycle | (-25℃、+85℃ 30min/each、5 cycles) ΔR/R≤±10% | |
| 振动Vibration | 10-55Hz, 1.5mm 振幅 amplitude, 3 方向 directions ΔR/R≤±5% | |
| 机械参数 Mechanical | ||
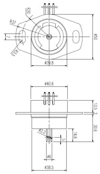
| 尺寸SIZE | 见附图SEE DRAWING | |
| 机械行程Mechanical Travel | 200° | |
| 旋转力矩Shaft Torque | 5~50gf·cm | |
| 止挡力矩Stop Strength | …… | |
| 锁紧力矩Mounting Nut Torque | 15Kgf·cm | |
| 轴跳动Shaft Runout | 0.15mm | |
| 轴端间隙 Shaft End Play | (出轴长度shaft length 30 mm)0.15mm | |
| 径向间隙Shaft Radial Play | 0.15mm | |
| 轴的推力Shaft Strength (push) | 125 N (12.75 kgf ) min. | |
| 轴的拉力Shaft Strength (tensile) | 125 N (12.75 kgf ) min. | |
| 配件 Hardware. | ||
三、产品尺寸图:

