WDA-D22-7MC角度位移传感器
浏览数:

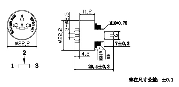
角度位移传感器WDA-D22-7MC(导电塑料型)
适用范围:适合需要精密角度位移测量的场合

电阻范围:————————————————————————10K
阻值公差:————————————————————————±10%
线性精度:————————————————————————±0.5%
电气转角:————————————————————————90° 180° 200° 240° 320° 340°(±2°)
机械转角:————————————————————————360°(连续)
额定功率:————————————————————————0.7W/70℃
平滑指数:————————————————————————≤1.5%
温度系数:————————————————————————±500PPM/℃
绝缘电阻:————————————————————————>500DC.500V /min
耐压强度:————————————————————————500V.A.C /min
温度范围:————————————————————————-30℃—+100℃
起动力矩:————————————————————————<0.098N(M)
回转寿命:————————————————————————300万转
轴柄材质:————————————————————————铜镀镍
外壳材质:————————————————————————铝氧化处理(宝蓝色)
产品配件:————————————————————————螺母、内齿垫片
