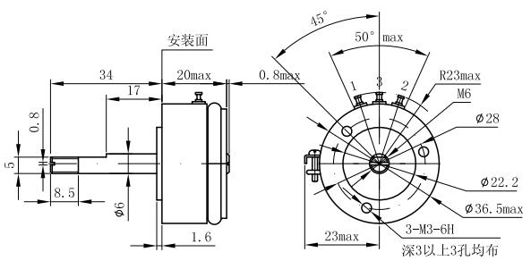
角度传感器 WDA-D35-D1F
浏览数:


详细说明:Detailed description:
|
标准阻值±20% Standard resistance |
独立线性 Independent linearity |
机械角度 Mechanical angle |
有效角度 Active angle |
使用寿命 Operating life |
| 1; 2; 3; 5KΩ | ≤1%~0.1% | 360° | 180° 345° | 50x106 |
|
可选择≤10k Optional≤10k ohm |
可选择应用 Option on request |
可供特需角度 Optional angle |
总阻变化≤10% Resistance change≤10% |
