MNR-200空心电位器 替代进口 GL200
浏览数:

替代进口GL200空心电位器
Applications 应用领域
Door control system 门控制系统
Road roller 压路机
Robot 机器人
Features 特性
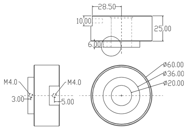
Hollow shaft:Ø20mm 空心轴 :Ø20mm 外径60 mm 高度31mm
5 Mio. Cycles 5百万转
Excellent linearity up to ±0.25% 极好的线性度 ±0.25%
Very good resolution,better 0.1° 非常好的分辨率,高于 0.1°
Options 选项
Resistance tolerance ±10% 阻值偏差±10%
Special electrical angles 特殊电气角度
Radial cable outlet 径向电缆出口
Continuous 连续性
| Electrical data 电气参数 | Unit 单位 | |
| Nominal resistance 标准阻值 | 5/10 | kOhm |
| Resistance tolerance 阻值公差 | ±20 | % |
| Independent linearity 独立线性度 | ±0.25 | % of meas. range |
| Electrical angle 电气角度 | 150/340 | ° |
| Repeatability 重复性 | max. 0.1 | ° |
| Temperature coefficient of the voltage divider分压器的温度系数 | 50 | ppm/℃ |
| Recommended wiper current 建议的电流 | max. 1 | μA |
| Max.wiper current in case of malfunction 最大电流 | 10 | mA |
| Power rating p 额定功率P | max. 0.5 | w/40℃ |
| Min. Life(electrical) 最小寿命(电气) | 10 Mio. | cycles |
| Mechanical Data 机械参数 | ||
| Mechanical range 机械转角 | 346 | ° |
| Torque 转矩 | max. 6 | Ncm |
| Min.life(mechanical) | 5 Mio. | cycles |
| Operating temperature 工作温度 | -25… +75 | ℃ |
| Storage temperature 储存温度 | -25… +105 | ℃ |
| Protection class 防护等级 | IP63 | |
| Standards 标准 | ||
| Insulating resistance(500 VDC,1bar,2s) 绝缘电阻 | 10 | GOhm |
| Dielectric strength(VAC,50Hz,1min,1bar)绝缘强度 | 1 | kV |
| Vibration(Amax=0.75mm,f=30....500Hz) 振动 | 10 | g |
| Shock 冲击 | 50 | g |
产品尺寸图 Product dimensional drawing

