拉绳(线)位移传感器MNH-20微型
浏览数:
拉绳(线)位移传感器MNH-20微型


一、产品特点:
拉绳位移传感器/拉线位移传感器是由光电采集部分(增量编码器、绝对值编码器、角位移传感器、精密电阻等)和一组机械外壳装置组成。
外壳使用铝合金材料,外表面氧化处理,坚硬耐磨;可抗压、防震,适应高温、高压、等各种恶劣的使用场合;收线为原装进口不锈钢钢丝绳,
该钢丝绳外层涂塑,抗腐蚀能力强、强度大、无伸缩;绕线弹簧机构采用进口不锈钢材料生产,抗腐蚀,收线稳定。使其成为一款结构紧凑、
安装空间尺寸小、测量行程长、方便灵活、具有高精度测量的工控优选位移传感器。
此款属于微型拉线(绳)位移传感器,用来记录测量长度0-400mm的线性距离、模拟量和数字量输出,标准化接口,可以坚固耐用特别是适
合短距离,高分辨率的场合。主要特点:安装方便,设有备用安装基准面,根据需要多种选择;安装空间小,安装难度低;无需导向,机械公
差不影响测量精度;广泛应用于直线导轨系统,液压气缸系统、伸缩系统,仓储位置定位,压力机械,造纸机械,纺织机械,金属板材机械,
包装机械,印刷机械,水平控制仪,建筑机械等相关尺寸测量和位置控制;可外接PLC 二次仪表,单片机等等采集系统
| 类别 | 主要技术参数 | |||||
| 信号输出型式 | 数字量输出 P G | 模拟量输出 V/MA/R G | ||||
| 输出特性 | TL方波 | 电压(V):0-5v、0-10v、1-5v | ||||
| 并行输出、串行输出、ssi接口、总线, profibus、CanOpen | 电流(MA):4-20mA、0-20mA | |||||
| RS485 | 电阻(R):0-5kΩ、0-10KΩ、其他 | |||||
| 供电电压 | DC5V、DC5-24V | DC12V、DC24V | ||||
| 测量行程 | 400mm | 400mm | ||||
| 最大往复速度 | 1000 | 1000 | ||||
| 分辨率 | 0.004、0.005、0.01等其他 | 本质无穷小 | ||||
| 线径规格 | Φ0.6 | Φ0.6 | ||||
| 线性精度 | 0.05%FS | 0.1%FS | ||||
| 拉线材料 | 不锈钢 | 不锈钢 | ||||
| 工作拉力 | 约5N | 约5N | ||||
| 工作温度 | -25℃~+85℃ | -25℃~+85℃ | ||||
| 存储温度 | -35℃~+95℃ | -35℃~+95℃ | ||||
| 重量 | 500g | 500g | ||||
| 使用寿命 | >1×106 次 | >1×106 次 | ||||
| 防护等级 | IP54(标准) | IP54(标准) | ||||
| 订货须知 | 以上参数如有不解请咨询我公司技术人员 | |||||
| MN-40-P | 测量范围 | 分辨力 | 输出特性 | 供电电压 | 增量型 | |
| MN-40-V/MA/R | 测量范围 | 本质无穷小 | 输出特性 | 供电电压 | 混合型 | |
| MN-40-G | 测量范围 | 分辨力 | 输出特性 | 供电电压 | 绝对值型 | |
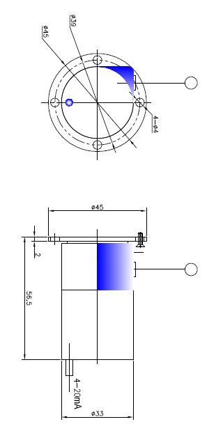
二、尺寸图:有两种安装方式,客户可根据实际需要选购。


