MN-FV滑块(悬浮)式方型磁致伸缩位移传感器
浏览数:

一、原理简介
滑块式磁致伸缩传感器主要由波导丝、铝导轨、电子部件和滑块(内装有永久磁铁)组成。当传感器工作时,电子仓内的电子电路产生一“起始脉冲”,此起始脉冲沿磁致伸缩线(波导丝)以恒速传输,同时产生一个沿着波导丝跟随脉冲前进的旋转磁场,当该磁场与滑块的磁场相遇时,产生磁致伸缩效应,使波导丝发生扭动。这一扭动被安装在电子部件的信号处理机构感知并转换成相应的“终止脉冲”,通过计算“起始脉冲”与相应“终止脉冲”之间的时间差。即可精确地测出被测的位移量。滑块式传感器采用非接触式测量,能提供最佳的线性和绝对位置测量,可以直接取代电阻式电位器,而无须机械修改。
二、规格参数
测量范围:50-3000mm 供电电压: 24V dc ±10%
输出方式:0-10V dc 或者4-20mA dc 非线性度:0.05%或者100um(以大值为准)
重复性误差:≤±0.002% F.S. 分辨率:16位DA
防护等级:IP65 工作温度:-40~+85℃
温度影响: ≤±0.007%F.S./℃
三、现场安装前准备工作:
1、用户收货后应马上对包装进行检查,确保包装完整,并按照合同清点产品和附件数量。
2、磁致伸缩位移传感器在与控制系统连接前,首先对传感器单独进行通电测试,移动磁环传感器输出呈线性变化,检测传感器工作正常后,再与系统连接。
3、现场走线时,电缆线应避开电动机、变频器等大功率设备,且与交流线路至少保持300mm以上的距离。
4、请按照电子仓标识的颜色接线,或按照本说明书第四部分的接线方法接线。
5、供电电源应满足传感器对供电电压(与您订购的产品型号有关)、功耗、纹波等方面的要求。
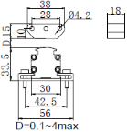
三、产品结构示意图
1、方形滑块结构示意图
2、方形悬浮滑块结构示意图
四、安装方法
注:安装前,首先严格按传感器的接线方式连接通电,观察传感器信号是否线性输出,确认传感器工作良好再进行下一步安装。
方形滑块安装方法
(1)、把安装固定座从铝材端套入传感器底部的卡位。
(2)、根据现场安装的固定位置把固定座固定(现场需要安装处没有螺孔进行安装则需要按照M4X16的螺钉进行打孔和攻丝),拧紧卡具上的两个螺丝把传感器固定在安装处。
(3)、磁性滑块安装方式中,磁性滑块是在铝材导轨上滑动,滑块上“指标箭头”应指向插座方向,磁性滑块与机器的移动部件连接起来。磁性滑块的连接螺纹为M5,连接螺纹交接处的自由度为±18o。


方形悬浮滑块安装方法
(1)、把安装固定座从铝材端套入传感器底部的卡位。
(2)、根据现场安装的固定位置把固定座固定(现场需要安装处没有螺孔进行安装则需要按照M4X16的螺钉进行打孔和攻丝),拧紧卡具上的两个螺丝把传感器固定在安装处。
(3)、悬浮滑块安装方式中,悬浮滑块滑行过程应保证在铝材正上方,并保证悬浮滑块与铝材之间的距离在0.1~4mm以内,最大不能超过4mm。


A向视图
五、接线及调试方法
1、三/四线制模拟信号接线方法
(1)、单位置输出接线图
| 功能 | 直出线色 |
H7航空插头 针脚 |
接线端子 |
| +24VDC/+15VDC | 红色 | 1 | 1 |
| 电源地 | 黑色 | 2 | 2 |
| 电压信号线 | 绿色 | 3 | 3 |
| 电流信号线 | 紫色 | ||
| 信号地 | 蓝色 | 4 | 2 |
| 屏蔽线 | 裸线 | 5 | 5/6 |
| -15VDC(正负电源供电时需要连接) | 白色 | 6 | 5 |
| 反向开关线(有需要才提供) | 橙色 | 7 | 4 |
(2)、双位置输出接线图
| 功能 | 直出线色 |
H7航空插头 针脚 |
接线端子 |
| +24VDC/+15VDC | 红色 | 1 | 1 |
| 电源地 | 黑色 | 2 | 2 |
| 位置1信号地 | 褐色 | ||
| 位置2信号地 | 蓝色 | ||
| 位置1电压信号线 | 橙色 | 3 | 3 |
| 位置1电流信号线 | 黄色 | ||
| 位置2电压信号线 | 绿色 | 4 | 4 |
| 位置2电流信号线 | 紫色 | ||
| 屏蔽线 | 裸线 | 5 | 5/6 |
| -15VDC(正负电源供电时需要连接) | 白色 | 6 | 5 |
※注:接线端子出线方式,无论是单位置还是双位置输出的产品,当需要正负电源时,屏蔽线接6脚。
特别注意:双位置信号两个磁环之间的距离不能小于100mm,否则会导致传感器工作不正常。
(3)、Hirschmann接头接线图

2、二线制模拟信号接线方法(按钮形式)
| 功能 | 直出线色 |
H7航空插头 针脚 |
接线端子 |
| 电源正/输出正 | 红色 | 1 | 1 |
| 电源地/输出负 | 黑色 | 2 | 2 |
| 屏蔽线 | 裸线 | 7 | 3 |
※注:二线制信号航空插头只用1、2、7引脚,其它引脚全部悬空。
六、 常见故障排除(以输出4~20mA为例子,其它输出同理)
1、输出定值不变
(1)检查磁环是否套在测杆上,或者磁环是否超出上下死区的范围。
(2)通过调试方法恢复工厂零点设置/恢复工厂满度设置。
2、 输出为0mA
(1)检查接线是否接好,是否接触不良。
(2)检查现场线路是否存在断路,如:线与线的对接地方。
3、 数据有突跳
(1)检查传感器安装----安装时没有固定好产品,设备震动影响到测量。
(2)屏蔽线断路----检查线与线对接地的屏蔽线。
(3)传感器的布线是否避开大功率设备的布线。
4、 现场检测方法
(1)把万用表打到电压档,测量采集模块的供电输出或供电模块是否约为12V~24V。
(2)检查输出电流信号,把电流输出线从采集模块分离,把万用表打到电流档,测量传感器的电流输出,应该是4~20mA。
(3)检查传感器的工作电流,用单独24V电源给传感器供电,再用电流表测量电源线的电流,电流值应该约为40~80mA(电压输出的传感器为50mA)。
(4)把传感器从设备直接拆卸下来(排除现场线路问题),直接接到采集模块上去,按照第(2)点的方式去检测,或者是检查现场线路是否存在问题,确保现场线路正常的情况下进行检测。
