KPZ34 微圆型直线位移传感器
浏览数:



此产品可完全替代PZ34系列产品
This mini position transducer is designed for direct absolute measurement and available in stroke length up to 400mm. The mini design is suitable for mounting in instruments or machines with limited space.
An improved technique for making connection to resistance track (Double Trimming Technique) ensures the higher degrees of reliability and linearity, while multi-fingers wipers stabilize output signals, even in the most adverse working conditions.
此微型位移传感器是专为直接绝对测量设计,行程为400毫米。微型设计适用于安装空间受限制的机械或机器。
改进技术使连接到电阻轨道(双修刻技术)确保更高的可靠性和线性度,而多触点电刷则有更稳定的输出信号,更能适用于极为恶劣的工作条件。
Unique Features电气特征
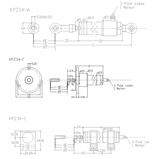
Three mounting methods
三种安装方法
Stroke行程 10-150mm
High Resolution infinite
高分辨率 无穷
Excellent Repeatability ±0.01mm
良好的重复性
KPZ34S-two adjustable brackets
KPZ34S-两个可调节支架
KPZ34A-two self-aligning ball joints
KPZ34A-两个自动对准球关节
KPZ34F-flange mounted
KPZ34F-法兰安装
Technical Specification 技术说明
Sealing-KPZ34S/KPZ34A/KPZ34F IP60
Sealing-optional密封-可选 IP65
Current电流 Resistance电阻≤10mA
Wiper电刷 ≤1mA
Operating Force ≤0.5N (IP60)
移动力 ≤5N (IP65)
Power Consumption功率消耗 3W-10W
Output Smoothness <±0.1% against input voltage
输出平滑性 <±0.1% 反输入电压
Input Voltage 输入电压 60 V Max
Insulation Voltage 500V-1 min Residue<5 μ A
绝缘电压 500V-1 分钟残留<5 μ A
Enviornmental Parameters环境参数
Very Long Life 超长寿命 >100×106 Cycles Operating Speed 使用速度5m/s max
Operting temperature操作温度 -50~120℃ Vibration振动系数IEC 68-2-29: 1968 40g
Storage Temperature存储温度 50~120℃ Shock冲击系数 IEC 68-2-29: 1968 40g
Outstanding Linearity up to出色的线性度 ±0.05% Sealing防水防尘能力IP65




