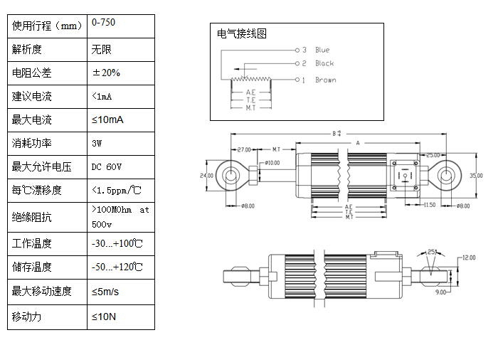
KPC系列直线位移传感器
浏览数:
◇ 位移行程0-750mm
◇ 两端由2个球型连接器连接
◇ 最大仰角±30°
◇ 高解析度且不受外来信号干扰
◇ 线性精度±0.05%
◇ 位移速度5m/s
◇ 使用寿命:>25x106次或>100x106
◇ 输出:分压器 ②RS485 ③RS232
④电压信号:DC24V 输出0-5V/0-10V
⑤电流信号:DC24V 输出4-20mA
技术资料:

电气特性:
<
| 型 号 | 50 | 100 | 130 | 150 | 175 | 200 | 225 | 275 | 300 | 375 | 400 | 450 | 500 | 600 | 750 | |
| 使用行程AE | mm | 50 | 100 | 130 | 150 | 175 | 200 | 225 | 275 | 300 | 375 | 400 | 450 | 500 | 600 | 750 |
| 理论行程TE | mm | TE+3 | TE+4 | 380 | 406 | 457 | 508 | 609 | 762 | |||||||
| 阻 值 | K Ω | 5 | 5 | 5 | 10 | |||||||||||
| 机械行程MT | mm | AE+9 | AE+10 | 386 | 412 | 463 | 518 | 619 | 772 | |||||||
| 外壳总长A | mm | AE+135 | AE+136 | 512 | 538 | 589 | 644 | 745 | 898 | |||||||
| 两个球型接头距离 | mm | AE+187 | AE+188 | 564 | 590 | 641 | 696 | 797 | 950 | |||||||

