LWH直线位移传感器
浏览数:

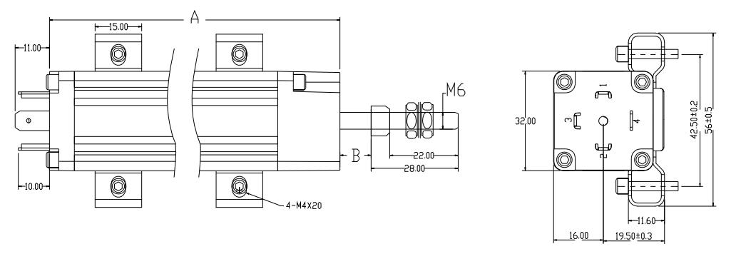
可装内置变送器:DIN连接头,万向节,量程0-900mm, 可选模拟输出: 0~5V,0~10V, 4~20mA 标准信号, 采用轴向牵引结构,案例: 注塑机,压铸机械,橡胶机械,制鞋机, 吹瓶机,液压气动设备等.
<
| 型号定义Type definition LWH | 75 | 100 | 125 | 150 | 175 | 200 | 225 | 250 | 275 | 300 | 325 | 350 | 375 | 400 | 425 | 450 | 475 | 单位Unit |
| 工作量程 Working range | 75 | 100 | 150 | 150 | 175 | 200 | 225 | 250 | 275 | 300 | 325 | 350 | 375 | 400 | 425 | 450 | 475 | mm |
| 电气行程 Electrical Travel | 77 | 102 | 127 | 152 | 178 | 203 | 228 | 254 | 279 | 304 | 330 | 356 | 381 | 406 | 432 | 457 | 482 | mm |
| 标准阻值 Standard Resistance | 3 | 5 | kΩ | |||||||||||||||
| 线性度 Linearity | 0.1 | 0.09 | 0.08 | 0.07 | 0.06 | 0.05 | % | |||||||||||
| 可重复性Repeatability | 0.01 | mm | ||||||||||||||||
| 外壳长度Shell length(A) | 146 | 171 | 197 | 222 | 248 | 273 | 298 | 324 | 349 | 375 | 400 | 426 | 451 | 476 | 501 | 527 | 552 | ±2mm |
| 机械行程Mechanical Travel(B) | 85 | 110 | 135 | 161 | 186 | 212 | 237 | 262 | 288 | 313 | 339 | 364 | 390 | 415 | 440 | 466 | 491 | ±2mm |
<
| 型号定义Type definition LWH | 500 | 525 | 550 | 575 | 600 | 625 | 650 | 675 | 700 | 725 | 750 | 775 | 800 | 825 | 850 | 875 | 900 | 单位Unit |
| 工作量程 Working range | 500 | 525 | 550 | 575 | 600 | 625 | 650 | 675 | 700 | 725 | 750 | 775 | 800 | 825 | 850 | 875 | 900 | mm |
| 电气行程 Electrical Travel | 508 | 533 | 559 | 585 | 610 | 635 | 661 | 686 | 711 | 737 | 762 | 787 | 813 | 848 | 863 | 889 | 914 | mm |
| 标准阻值 Standard Resistance | 5 | 10 | kΩ | |||||||||||||||
| 线性度 Linearity | 0.05 | 0.04 | % | |||||||||||||||
| 可重复性Repeatability | 0.01 | mm | ||||||||||||||||
| 外壳长度Shell length(A) | 578 | 603 | 629 | 654 | 680 | 705 | 730 | 756 | 781 | 806 | 832 | 857 | 883 | 908 | 933 | 959 | 984 | ±2mm |
| 机械行程Mechanical Travel(B) | 516 | 542 | 567 | 592 | 618 | 643 | 668 | 694 | 719 | 745 | 770 | 795 | 821 | 846 | 872 | 897 | 923 | ±2mm |
尺寸仅供参考,如有更改,恕不另行通知

