KPC-AP直线位移传感器(带保护外套)
浏览数:

一、特点:
◇ 位移行程0-750mm
◇ 两端由2个球型连接器连接
◇ 最大仰角±30°
◇ 高解析度且不受外来信号干扰
◇ 线性精度±0.05%
◇ 位移速度5m/s
◇ 使用寿命:>25x106次或>100x106
◇ 输出:分压器 ②RS485 ③RS232
④电压信号:DC24V 输出0-5V/0-10V
⑤电流信号:DC24V 输出4-20mA
二、技术资料
| 使用行程(mm) | 0-750 |
| 解析度 | 无限 |
| 电阻公差 | ±20% |
| 建议电流 | <1mA |
| 最大电流 | ≤10mA |
| 消耗功率 | 3W |
| 最大允许电压 | DC 60V |
| 每℃漂移度 | <1.5ppm/℃ |
| 绝缘阻抗 | >100MOhm at 500v |
| 工作温度 | -30...+100℃ |
| 储存温度 | -50...+120℃ |
| 最大移动速度 | ≤5m/s |
| 移动力 | ≤10N |
| 防护等级 | IP65 |
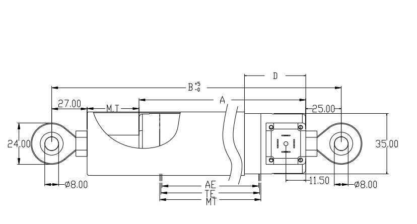
三、尺寸图:

四、行程表:
