KPM系列直线位移传感器
浏览数:

一、特点:
KPM直线位移传感器,采用底部出线的方式,铰接方式安装.
二、行程表:
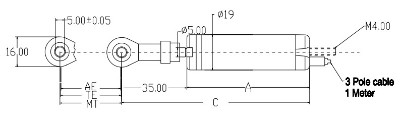
| KPM series KPM 系列 | 10 | 25 | 50 | 75 | 100 | 125 | 150 | 200 | 250 | 300 | 350 | 400 | |||||||
| Total Electrical Travel (T.E) 电气总行程 | mm | 11 | 26 | 51 | 76 | 101 | 126 | 151 | 201 | 251 | 301 | 351 | 401 | ||||||
| Active Electrical Travel (A.E) 可用电气行程 | mm | 10 | 25 | 50 | 75 | 100 | 125 | 150 | 200 | 250 | 300 | 350 | 400 | ||||||
| Resistance 电阻±20% | KΩ | 1 | 1 | 5 | 5 | 5 | 5 | 5 | 5 | 5 | 5 | 5 | 5 | ||||||
| Independent Linearity 独立线性率 | ±% | 0.3 | 0.2 | 0.1 | 0.1 | 0.1 | 0.05 | 0.05 | 0.05 | 0.05 | 0.05 | 0.05 | 0.05 | ||||||
| Mechanical Travel 机械行程(M.T) | mm | 15 | 30 | 55 | 80 | 105 | 130 | 155 | 205 | 255 | 305 | 355 | 405 | ||||||
| Resolusion 解像度 | infinite 无限 | ||||||||||||||||||
| Temperature Range 使用温度范围 | ℃ | -30~+100 | |||||||||||||||||
| Dimensions A | mm | 95 | 110 | 135 | 160 | 185 | 210 | 235 | 285 | 335 | 385 | 435 | 485 | ||||||
| Dimensions B | mm | 32 | 47 | 72 | 97 | 122 | 147 | 172 | 222 | 272 | 322 | 372 | 422 | ||||||
| Dimensions C | mm | 133 | 148 | 173 | 198 | 223 | 248 | 273 | 323 | 373 | 423 | 473 | 523 | ||||||
三、产品尺寸图:

四、接线图:
