
一、MN-CH6系列数显仪特点
万能输入 电压、电流、热电阻、热电偶无跳线万能输入,简单灵活
电磁兼容 EMC Ⅲ级,超强的抗干扰能力,适应各种复杂现场
宽幅电源 高效率宽电压的开关电源设计
适应性强 温湿度适应范围广,漂移小
注:Ⅲ级---适用于典型的工业环境。工业工程设备的适用场所,发电厂和户外高压变电站继电器房等可作为这类环境的代表。
Ⅱ级---适合用于收保护的环境。工业和发电厂的控制室或终端室可作为这类环境的代表。
Ⅰ级---适用于具有良好保护的环境。计算机房可作为这类环境的代表。
*AC100V~240V(效率高达90%),DC10V~36V.
*整机硬件失效返修率低于千分之五,质保细则按厂家规定。
二、选型表

三、技术规格
1、电 源:100V AC~240V AC,功耗小于4W 10VDC~36VDC,功耗小于6W
注:直流供电电源应留有一定功率余量,请按每台24VDC/0.5A, 12VDC/2A配置电源。
2、工作环境:0℃~50℃,湿度低于90%RH,不结露;
3、显示范围:-1999~9999,小数点位置可设定
4、输入信号类型:万能输入,可通过参数设定选择;
注:0~10VDC输入为非标准功能,需特殊定制;
5、基本误差:小于0.5%F.S;
6、测量控制周期:0.2秒;
7、报警输出:2点继电器输出,触点容量220V AC,3A;
8、变送输出:
光电隔离,输出分辨力1/3000,误差小于±0.2% F.S
负载能力大于600Ω。
通过设定选择4mA~20mA,0mA~10mA,0mA~20mA;
注: 变送输出为选装功能,需在订货时注明,否则仪表不具有此功能。
9、外供电源:用于给变送器供电,输出值与标称值的误差小于±5%,负载能力大于50mA,其它规格需订货时注明。
注:仪表的外供电源只能用于与仪表配接的传感器或变送器配套。
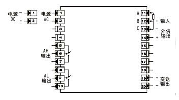
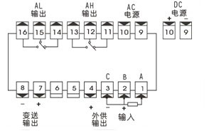
四、输入接线说明

A-H规格160X80尺寸的仪表

B-F规格96X96尺寸的仪表

E-F规格48X48尺寸的仪表

C-H规格96X48尺寸的仪表

D-F规格72X72尺寸的仪表

