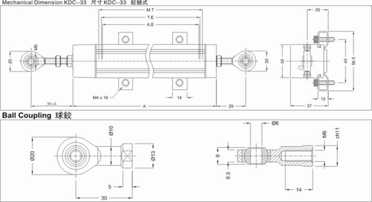
KDC-33 Hinged Series
Click:

Built-in signal processing, Joint bearings; Stroke range: 0-1250mm,Analog output: +5V,0-5V, 0-10V, 4-20mA,Both ends with ball coupling installation. Apply to large mechanical travel andswing position detection, without anyrequirement on the installation of theneutral.Such as robot, brick machine,ceramic machine, sluice controlling etc
| KDC-33 Hinged Series | mm | 75 | 100 | 125 | 150 | 175 | 200 | 225 | 250 | 275 | 300 | 325 | 350 | 375 | 400 | 425 |
| Total Electrical Travel (T.E) | mm | 80 | 105 | 130 | 155 | 180 | 205 | 230 | 255 | 280 | 305 | 330 | 355 | 380 | 405 | 430 |
| Active Electrical Travel (A.E) | mm | 75 | 100 | 125 | 150 | 175 | 200 | 225 | 250 | 275 | 300 | 325 | 350 | 375 | 400 | 425 |
| Resistance Range ±20% | kΩ | 5.0 | ||||||||||||||
| Independent Linearity | ±% | 0.05 | ||||||||||||||
| Mechanical Travel (M.T) | mm | 83 | 108 | 133 | 158 | 183 | 208 | 233 | 258 | 283 | 308 | 333 | 358 | 383 | 408 | 433 |
| Output | Voltage Divider | |||||||||||||||
| Resolution | Infinite | |||||||||||||||
| Operating Temperature | C° | -50 + 120 | ||||||||||||||
| Dimensions A | mm | 154 | 179 | 204 | 229 | 254 | 279 | 304 | 329 | 354 | 379 | 404 | 429 | 454 | 479 | 504 |
| KDC-33 Hinged Series | mm | 450 | 475 | 500 | 550 | 600 | 650 | 700 | 750 | 800 | 850 | 900 | 950 | 1000 | 1150 | 1250 |
| Total Electrical Travel (T.E) | mm | 455 | 480 | 505 | 555 | 605 | 655 | 705 | 755 | 805 | 855 | 905 | 955 | 1005 | 1155 | 1255 |
| Active Electrical Travel (A.E) | mm | 450 | 475 | 500 | 550 | 600 | 650 | 700 | 750 | 800 | 850 | 900 | 950 | 1000 | 1150 | 1250 |
| Resistance Range ±20% | kΩ | 10.0 | ||||||||||||||
| Independent Linearity | ±% | 0.05 | ||||||||||||||
| Mechanical Travel (M.T) | mm | 458 | 483 | 508 | 558 | 608 | 658 | 708 | 758 | 808 | 858 | 908 | 958 | 1008 | 1158 | 1258 |
| Output | Voltage Divider | |||||||||||||||
| Resolution | Infinite | |||||||||||||||
| Operating Temperature | C° | -50 + 120 | ||||||||||||||
| Dimensions A | mm | 527 | 552 | 577 | 627 | 677 | 727 | 777 | 827 | 877 | 927 | 977 | 1027 | 1077 | 1227 | 1327 |
Dimensions for reference only and subject to change without prior notice

